How To Wire An Occupancy Sensor To A WindowWatcher Thermostat.
If you’re a building owner who pay tenant’s heating bills, you likely have wondering whether a room thermostat can detect occupancy. Wouldn’t that be nice? If there was a simple way to prevent tenants from leaving the heat on when they leave the building or even simply heating an unoccupied space when they leave a particular room for an extended period of time.
Well, it can be done and it is easier than you think.
WINDOW WATCHER™ thermostats are designed to reinforce positive energy habits while limiting landlord energy expenses. And while originally conceived as a solution for tenants who tend to waste energy by leaving their windows cracked open, pairing a common occupancy sensor to your Window Watcher expands the level of control to by adjusting the temperature levels of different rooms in the house based on occupancy.
What’s Required?
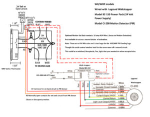
- Legrand Wattstopper CI-200 Motion Detector (PIR)Z-150
- Legrand Model BZ-150 Power Pack (24 Volt Power Supply)
- King WindowWatcher Property Management Stat
Wiring Diagram For Setup
Below you will find the wiring diagram which details how to connect the Legrand Wattstopper Occupancy Sensor and Power pack with a King WindowWatcher Thermostat.




